

鼓形齿式联轴器(GIICL、GIICLZ、WGP)
特点:其主要结构由内齿圈和鼓形齿外齿轴套等主要零件组成。
1)、补偿性能好。由于外齿轴套为鼓形齿,联轴器工作时可避免内外齿棱角接触,允许两轴轴线角位移±1.5º,当角位移在2~3º时也能的工作。一般推荐允许角位移1º30ˊ~2º30ˊ;
2)、能承受重载及冲击载荷,在相同角位移情况下比直齿联轴器承载能力提高15~20%;
3)、,可达0.99;
4)、密封性好,使用,装卸、维护方便;
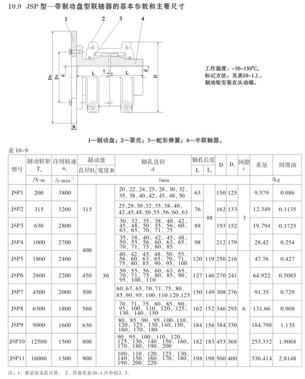
JSP型带制动盘型联轴器与直齿式联轴器相比,外形尺寸小,承载能力大,在高速运转时工作。应用范围:适用于冶炼、轧钢、重型机械、汽轮机、石油化工业、船舶等各行业。